主營產品
設計與選型
- 愛普生小尺寸,高性能的LVDS輸出壓控晶振(VCXO)VG5032VDN
- 愛普生TG-5006CE高精度溫補晶振在窄帶無線通信中的應用
- EPSON內置熱敏電阻,小尺寸高穩定的 38.4MHz 晶體單元 FA2016AS
- EPSON溫補晶振TG7050SKN有何特點?高溫穩定與低功耗兼備,適用多類通信場景
- EPSON RX-4035LC實時時鐘模塊實現精準計時與持久續航
- KDS溫補晶振DSA211SDN/ DSB211SDN/ DSA221SDN/ DSB221SDN替代方案:愛普生TG2016SMN /TG2520SMN
- EPSON愛普生SG-8101CB可編程晶振在工業物聯網網關中的應用
- 愛普生SG2520EHN差分晶振:為5G與400G通信量身打造的高性能SPXO
- 愛普生FC1610BN超小尺寸低ESR的32.768kHz晶體單元
愛普生晶體MA-306,MA-406,MA-505,MA-506,CA-301停產與推薦替代型號
2020年3月,南山電子接到愛普生晶振事業部的一封郵件通知,內容是愛普生晶體MA-306,MA-406,MA-505,MA-506,CA-301即將停產。郵件的原文大致如下:
模具型/圓筒型MHz射程晶體單元下線通知單
MA-306,MA-406,MA-505,MA-506,CA-301這些產品尺寸很清晰展現在大家面前,并且隨著近年來,市場的需求變少,愛普生馬來西亞工廠的部分生產設備也逐漸老化,官方建議是雖然不兼容管腳,但請考慮更換為FA-238 FA-238V FA-20H FA-128,我們再來看看這些替換的愛普生晶體產品,愛普生晶體諧振器的兩款3225四腳貼片晶振FA-238與FA-238V合并著一起,無縫覆蓋了無源晶振常用的12MHz~60MHz頻段,尺寸3.2×2.5×0.7mm,FA-20H是愛普生無源晶振SMD2520貼片晶振的主力型號,尺寸2.5×2.0×0.55mm,主要用于移動電話,藍牙,業內用藍牙晶振、時鐘晶振這種詞稱呼這類小尺寸貼片晶振,FA-128是超小尺寸2016貼片時鐘晶振。外部尺寸只有2.0*1.6mm,厚度0.5mm。通過運用在音叉型晶體的生產中具備了30年以上實際經驗的「光刻」工藝以及 印刷蝕刻工藝,達到了小型化的蝕刻型晶體在如此小的外部尺寸下保證該晶振具有可靠的頻率精度、良好的溫度特性、較小的串聯電阻。該晶振的價格也非常親民,所以說相形見絀,MA-306,MA-406,MA-505,MA-506,CA-301淘汰是注定的,工程師可以根據具體情況選擇這些小尺寸晶振替換,作為愛普生晶振在中國大陸地區選擇的兩家國內樣品倉庫之一,南山電子現擁有近千種現貨庫存,*一時間為客戶提供小批量樣品快速發貨服務,南山電子還提供其他各種型號有源晶振和無源晶振,時鐘芯片,溫控壓控晶振等,歡迎各位新老顧客來電垂詢,或者直接到我們某寶店——南山E店直接購買。
模具型/圓筒型MHz射程晶體單元下線通知單
感謝您選擇精工愛普生公司為您的產品。愛普生一直致力于提高我們產品的性能、交付和靈活性。
我們想通知你方,我們將按如下方式停止生產這些產品。
受影響產品:模具型/圓筒型兆赫射程晶體單元
品名 零件號
MA-306 Q22MA3061xxxx xx系列
Q22MA3062xxxx xx系列
MA-406 Q22MA4061xxxx xx系列
Q22MA4062xxxx xx系列
MA-505 Q22MA5051xxxx xx/Q22MA5061xxxx xx
MA-506 Q22MA5052xxxx xx/Q22MA5062xxxx xx
CA-301 Q21CA3011xxxx xx系列
推薦的替代模型
雖然不兼容管腳,但請考慮更換為FA-238 FA-238V FA-20H FA-128
沒有頻率范圍(4.0000MHz或更高,小于12.0000MHz)的替代品。
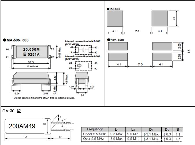
其實對于MA-306,MA-406,MA-505,MA-506,CA-301的停產消息,實屬意料之中的,隨著社會的不斷發展,市場對于元器件的要求也越來越高,小型化,高精度高穩定化是元器件發展的趨勢,而MA-306,MA-406,MA-505,MA-506,CA-301這幾顆料,雖然在當年才推出時轟動一時,風靡市場,但是依然逃不過時代的巨輪,主要原因是尺寸問題,如下圖所示可以:


其實對于MA-306,MA-406,MA-505,MA-506,CA-301的停產消息,實屬意料之中的,隨著社會的不斷發展,市場對于元器件的要求也越來越高,小型化,高精度高穩定化是元器件發展的趨勢,而MA-306,MA-406,MA-505,MA-506,CA-301這幾顆料,雖然在當年才推出時轟動一時,風靡市場,但是依然逃不過時代的巨輪,主要原因是尺寸問題,如下圖所示可以:


MA-306,MA-406,MA-505,MA-506,CA-301這些產品尺寸很清晰展現在大家面前,并且隨著近年來,市場的需求變少,愛普生馬來西亞工廠的部分生產設備也逐漸老化,官方建議是雖然不兼容管腳,但請考慮更換為FA-238 FA-238V FA-20H FA-128,我們再來看看這些替換的愛普生晶體產品,愛普生晶體諧振器的兩款3225四腳貼片晶振FA-238與FA-238V合并著一起,無縫覆蓋了無源晶振常用的12MHz~60MHz頻段,尺寸3.2×2.5×0.7mm,FA-20H是愛普生無源晶振SMD2520貼片晶振的主力型號,尺寸2.5×2.0×0.55mm,主要用于移動電話,藍牙,業內用藍牙晶振、時鐘晶振這種詞稱呼這類小尺寸貼片晶振,FA-128是超小尺寸2016貼片時鐘晶振。外部尺寸只有2.0*1.6mm,厚度0.5mm。通過運用在音叉型晶體的生產中具備了30年以上實際經驗的「光刻」工藝以及 印刷蝕刻工藝,達到了小型化的蝕刻型晶體在如此小的外部尺寸下保證該晶振具有可靠的頻率精度、良好的溫度特性、較小的串聯電阻。該晶振的價格也非常親民,所以說相形見絀,MA-306,MA-406,MA-505,MA-506,CA-301淘汰是注定的,工程師可以根據具體情況選擇這些小尺寸晶振替換,作為愛普生晶振在中國大陸地區選擇的兩家國內樣品倉庫之一,南山電子現擁有近千種現貨庫存,*一時間為客戶提供小批量樣品快速發貨服務,南山電子還提供其他各種型號有源晶振和無源晶振,時鐘芯片,溫控壓控晶振等,歡迎各位新老顧客來電垂詢,或者直接到我們某寶店——南山E店直接購買。
- 上一篇:TG-5006CJ,TG-5006CG,TG-5006CE
- 下一篇:MEMS陀螺儀
新聞公告
-
2025-07-04精準測試,助力創新, 愛普生與南山電
-
2025-02-27愛普生晶振MC-146,FC-135部分物料
-
2024-12-27EPSON-NSCN晶體電路評估聯合測試中
-
2024-02-03愛普生三軸加速度計傳感器HGPM01可
-
2024-01-23應用于泳池機器人的慣性導航高性能
-
2023-12-20愛普生三軸加速度傳感器M-A352AD10


466009906